Controller Footprint & Envelope Drawings (All Systems)
Controller Footprint & Envelope Drawings
Updated 4/1/2026
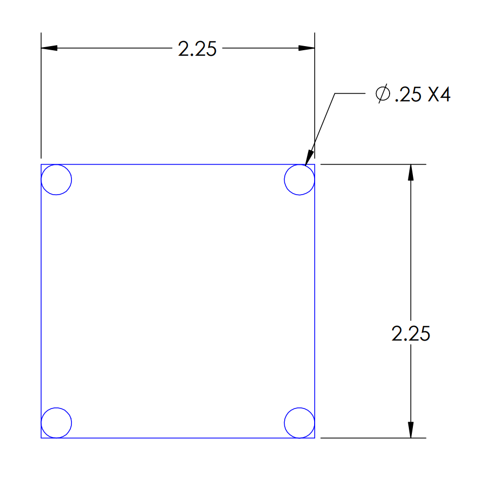
High detail drawings can be found below to determine how much physical space the Seakeeper Ride Controllers will require. The mounting footprint is the size and shape of the Controller surface that will adhere to the hull. The Controller envelope is how much space the Controller will take up when mounted to the hull with the Blade rotated to its maximum range upwards. All dimensions are in inches.
Keypad cutout dimensions are located at the end of this page.
Seakeeper Ride 450


Seakeeper Ride 525


Seakeeper Ride 600


Seakeeper Ride 375 mm (Metal, For use with 750 Quad, 900, 1125, and 375A)


Seakeeper Ride 525 mm (Metal, For use with 900, 1050, 1275, and 525A)


Seakeeper Ride 750 mm (Metal, For Use with 750, 1125, 1275 and 1500)


Keypad
Keypad cutout dimensions shown below. Printable link.
